ASK Hochreiter

Udo Hochreiter
66969 Lemberg
++49(0)6331-209171
 info@ask-Hochreiter.de
 www.ask-Hochreiter.de

Power Menu Version: 26.1.1.21

Alle Rechte und Änderungen vorbehalten. Alle Inhalte dieser Website sind urheberrechtlich geschützt. BricsCAD ist ein Warenzeichen der Menhirs NV. BricsCAD, wird von Bricsys NV vertrieben.  Windows ist ein Warenzeichen der Firma Microsoft

 

 

Beispiele

 

image001 Geradheit

image002

Die tolerierte Achse des zylindrischen Teils muss in einem Zylinder von einem Durchmesser (ø = 0,02 mm) liegen.

image004 Ebenheit

image005

Die tolerierte Fläche muss zwischen zwei parallelen Ebenen, im Abstand von 0,15 mm, liegen.

image006 Rundheit

image007

In allen Schnittebenen senkrecht zur Mittelachse muss die Umfangslinie zwischen zwei konzentrischen Kreisen, im Abstand von 0,05 mm, liegen.

image008 Zylinderform

image009

Die tolerierte Mantelfläche des zylindrischen Teils muss zwischen zwei koaxialen Zylindern, im Abstand von 0,25 mm, liegen

image011 Linienform

image012

Das tolerierte Profil muss zwischen zwei Hülllinien liegen, deren Abstand von Kreisen (d = 0,04 mm) definiert wird, wobei der Mittelpunkt der Kreise auf geometrisch idealer Linie liegt.

image013 Flächenform

image014

Die tolerierte Fläche muss zwischen zwei Hüllflächen liegen, deren Abstand durch Kugeln (d = 0,15 mm) definiert wird, wobei der Mittelpunkt der Kugeln auf geometrisch idealer Fläche) liegt.

image015 Parallelität

image017

Die tolerierte Achse muss in einem Zylinder von d = 0,04 mm liegen, der parallel zur Bezugsachse A ist.

image019 Rechtwinkligkeit

image020

Die tolerierte Zylinderachse muss in einem zur Bezugsfläche senkrechten Zylinder mit Durchmesser d = 0,3 mm liegen.

image021 Winkligkeit

image023

Die tolerierte Neigungsfläche muss zwischen zwei zur Bezugsachse A geneigten parallelen Ebenen mit Abstand 0,25 mm liegen. Der geometrisch. ideale Winkel muss 45° aufweisen.

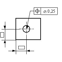
image024 Position

image026

Der tatsächliche Bohrungsmittelpunkt muss in einem Kreis mit d = 0,25 mm liegen, dessen Mittelpunkt mit dem theoretisch exakten Ort der Bohrung übereinstimmt.

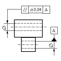
image027 Konzentrizität
       Koaxialität

image028

Die Achse des tolerierten Wellenteils muss in einem zur Bezugsachse A-B koaxialen Zylinder mit d = 0,1 mm liegen.

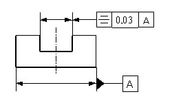
image027 Symmetrie

image030

Die tolerierte Mittelebene der Nut muss zwischen zwei parallelen Flächen, im Abstand von 0,03 mm liegen, welche symmetrisch zur Ebene A der bemaßten Außenflächen angeordnet sind.

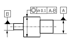
image031 Rundlauf

image032

Bei einer Umdrehung des Zylinders um die Bezugsachse A-B, darf die Rundlaufabweichung in jeder einzelnen Messebene senkrecht zu A-B 0,4 mm nicht überschreiten.

image031 Planlauf

image034

Bei einer Umdrehung des Zylinders um die Bezugsachse A-B, darf die Planlaufabweichung in jedem Messpunkt 0,2 mm nicht überschreiten.

 image036 Rundlauf

image037

Bei mehrfacher Drehung um die Bezugsachse A-B und gleichzeitiger axialer Verschiebung, müssen alle Messpunkte der Oberfläche in der Gesamtrundlauftoleranz 0,2 mm liegen

 

image036 Planlauf

image038

Bei mehrfacher Drehung um die Bezugsachse A und gleichzeitiger radialer Verschiebung, müssen alle Messpunkte der Oberfläche in der Gesamtplanlauftoleranz 0,4 mm liegen.